Käyttäjätunnuksellenne kiinnitetty asiakasnumero on suljettu ja sen käyttö estetty. Mikäli teillä on kysyttävää, ottakaa yhteyttä yrityksenne pääkäyttäjään tai [email protected].
65702142600

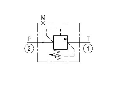
05.12.03-03-05-10 VSDC250

PAINRAJVENT.250L R1" 35-100BAR
Kpl

Selitteet

  • Keskusvarastossa (toim.aika 2 pv)
  • Tarkista myymäläkohtainen saatavuus
  • Tilaustuote tai rajoitettu saatavuus, toim.aika vahvistetaan erikseen

Tuotteiden saatavuustiedot välimyyntivarauksin. Kirjautuneena varastosaldo nähtävissä myymälöittäin.

Rekisteröityneille käyttäjille esitetyt hinnat ovat alv 0%

Tuotetiedot
Paineenrajoitusventtiilien tehtävänä on rajoittaa järjestelmän painetta tai estää toimilaitteiden aiheuttamien painepiikkien syntyminen ja näin suojata järjestelmän komponentit, kuten pumput, moottorit, venttiilit, letkut ym.

Koot G1/4” – G 1 ¼”
Virtaukset 1,5 l/min – 350 l/min
Maksimi paine 420bar
Lue lisää

Oletko tyytyväinen tuotetietoihin?

Ovatko tuotetiedot riittävät? Jos tuotetiedoissa on puutteita tai niitä voisi muuten parantaa, anna palautetta.